360° View Lenses View Lenses
- Focusing on the bottom and inner wall in high resolution
and large DoF. - Inspection of diameters from 5~30mm and heights from
3~18mm.
360° Inner Wall Inspection Lenses
Designed to simultaneous image both the inner walls and the bottom of objects, with different shapes such as threaded holes, cylinders, cones, holes and bottles. COOLENS® hole inspection lenses for 360° inside view can be widely used in food, medicine, automotive and other industries, perfect for medicine bottles, bottle caps, nuts and mechanical parts.
Excellent Imaging Quality
Poor Effect
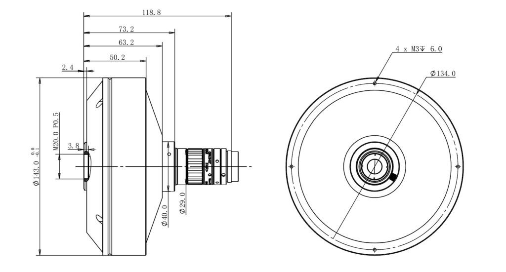
Dimensions
| Supported Camera | 2/3” | Diameter(mm) | Height(mm) | WD(mm) | |||||
| 5 | 4 | 5 | |||||||
| Image Circle | Φ6.6mm | 10 | 6 | 7 | |||||
| 20 | 30 | 13 | |||||||
| Wavelength | Visible Light | 30 | 30 | 17 | |||||
| 40 | 40 | 24 | |||||||
| WD Range | 5mm-65mm | 50 | 50 | 27 | |||||
| 60 | 60 | 33 | |||||||
| Mount | C | 80 | 80 | 44 | |||||
| 100 | 100 | 55 | |||||||
| 120 | 120 | 65 |
| Products | Hole Inspection Lenses for 360° Inside View | ||||||
| Brand | COOLENS® | Company O | Company C | ||||
| WD | 5~65mm | 5~62mm | 2.7~70mm | ||||
| Length | 50.8mm | 101.9~115.2mm | 111.9mm | ||||
| Outside Diameter | Max OD Φ26mm Min OD Φ12mm | Max OD 37.7~40mm Min OD 28mm | Max OD 33.6mm Min OD 20mm | ||||
360° Outer Wall Inspection Lenses
· Catadioptric lenses for 360° side and top simultaneous imaging of small objects.
· Innovative lens design utilizes mirror reflection to capture side surface imaging.
· Compact structure seamlessly adapts to any optical imaging system.
· High-resolution imaging for exceptional results.
· Ideal for inspecting visual defects in product apperance
Top and side view of an object with just one camera
Max.Sensor Size
Dimensions
| Wavelength range (nm) | 450~650 | Diameter(mm) | Height(mm) | WD(mm) | |||||
| 5 | 3 | 41 | |||||||
| Working Distance (mm) | 41-10 | 7 | 5 | 39 | |||||
| Compatiable with FA lens | 16mm | 10 | 6 | 36 | |||||
| Best Aperture (F/#) | 6.5 | 15 | 11 | 30 | |||||
| Max Sensor Size (Φmm) | 7.07(2/3") | 20 | 13 | 24 | |||||
| Inspect object diameter (mm) | 5~30 | 25 | 18 | 15 | |||||
| Mount | C | 30 | 18 | 10 |
| Product Features | |||||||
| Object Diameter | Max. Object Height Inspection | Working Distance | Imaging | ||||
| 5mm | 3mm | 41mm | Outer Wall | ||||
| 7mm | 5mm | 39mm | Outer Wall + Top | ||||
| 10mm | 6mm | 36mm | Outer Wall + Top | ||||
| 15mm | 11mm | 30mm | Outer Wall + Top | ||||
| 20mm | 13mm | 24mm | Outer Wall + Top | ||||
| 25mm | 18mm | 15mm | Outer Wall + Top | ||||
| 30mm | 18mm | 10mm | Outer Wall Inspection | ||||