59mm 0.656X 90° Matrix Bi-Telecentric Lenses | DTCM16K-90-T90-AL COOLENS®
Model NO. :
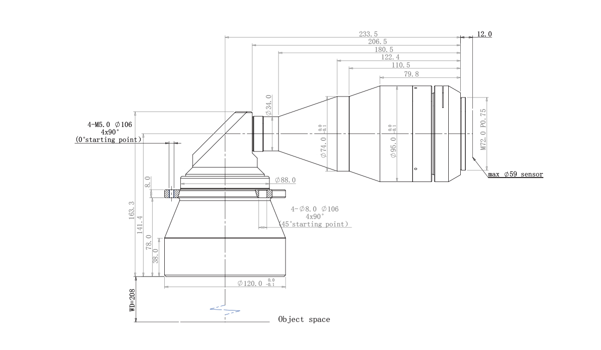
DTCM16K-90-T90-AL
Image Circle: 59mm
Magnification: 0.656X
FOV: 90mm
WD: 208±3mm
NA: 0.02125
Mount: M72(12)
Type: 90° Matrix Bi-Telecentric Lenses
| Model No. | DTCM16K-90-T90-AL | Object Field of View(Φmm) | 90 | ||||
| Image Circle Diameter (Φmm) | 59 | Best Aperture(f/#) | 15.4 | ||||
| Magnification(x) | 0.656 | MTF30 (lp/mm) | >50 | ||||
| Working Distance(mm) | 208±3 | Depth of Field(mm) | ±1.3@F20 | ||||
| NA | 0.02125 | Distortion Typical(% max) | <0.1 | ||||
| Type | 90° Matrix Bi-Telecentric Lenses | Telecentricity Typical (°max) | <0.1 | ||||
| Length of I/O(mm) | 595±3 | ||||||
| Mechanical Specifications | |||||||
| Mount | M72(12) | ||||||
| Length (mm) | 293.5 | ||||||
Dimensions


