0.161X, 1/1.8″ C-Mount Bi-Telecentric Lenses | DTCM118 COOLENS®

Model NO.    :

DTCM118-56-AL

•FOV(φ)56mm, Ultra Resolution Bi-Telecentric Lens
•Up to 6 MegaPixels, 2.4μm Pixel Size Sensors
•Up to 1/1.8″ Bi-Telecentric Lens, C-Mount
•Magnification(x) 0.161

Model NO. DTCM118-56-AL Magnification(x) 0.161 
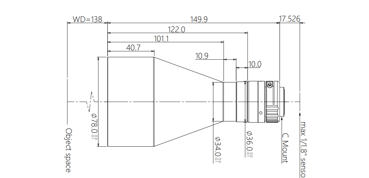
Object Field of View (Φmm) 56 Working Distance (mm) 138±3
Max Sensor Size (Φmm) 9.0(1/1.8") Best Aperture (F/#) 4.6
Telecentricity typical (max) (deg) <0.1 Distortion typical (max) (%) <0.1
MTF30 (lp/mm) >190 Depth of Field (mm) ±17.0@F11
Length of I/O (mm) 306±3 Mount C
Length (mm) 149.9  Weight (kg) 0.7 
Field of View (mm × mm) 1/1.8" IMX178 (7.43x4.9) 46.1x30.4
1/1.8" IMX252/265 (7.1x5.3) 44.1x32.9
Compatible Lighting Telecentric LED Lighting DTCL-56-xW-y
Beam Diameter 56mm

Dimensions

Tips:

Kindly note that the best resolution and maximum depth of field specified in the parameters are not achieved under the same aperture size conditions. As the aperture size becomes smaller (larger aperture values), the hyperfocal distance becomes shorter, and the DoF becomes larger.

Light Transmission

Our lenses' best resolution generally corresponds to 50% of the maximum depth of field we specify. The values in the parameters represent separate theoretical optimal values, and the best depth of field value is based on software export reference.

During the purchase, if you have specific requirements for depth of field and best resolution, please let us know, and our laboratory can offer the optimal solution.

By the way, considering the lens aperture is fixed and can not be adjusted after shipping out, it is necessary to confirm the required aperture size before placing the order.

Download product files

Scroll to Top

Require And Support

We will contact you within 24 hours,please pay attention to the email with the suffix “@vicoimaging.com”

Submit to Download

Submit to Download