6X 1.1″ Telecentric Lenses with Coaxial Illumination Port | WWK 108 111 COOLENS®
Model NO. :
•NA 0.10, Telecentric Lenses with Coaxial Illumination Port Optional
•Up to 25 MegaPixels, 2.5μm Pixel Size Sensors
•Up to 1.1″, WD108, C-Mount Telecentric Lenses
•Magnification(x) 6.0
| Model No. | WWK60-108C-111V3 | Magnification(x) | 6.0 | ||||
| Working Distance(mm) | 108±2 | Max Sensor Size(φmm) | 18.0(1.1") | ||||
| Best Aperture(F/#) | 29.7 | Telecentricity Typical(max)(deg) | <0.03 | ||||
| Distortion Typical(max)(%) | <0.04 | Depth of Field | ±0.035@F29.7 | ||||
| Length of I/O (mm) | 301 | Mount | C | ||||
| Length (mm) | 175.5 | MTF30 (lp/mm) | 29 | ||||
| Coaxial Illumination Port Option | YES | Iris Adjustable | No | ||||
| Field of View (mm x mm) | |||||||
| 1" IMX183 (13.13x8.76) | 2.2x1.5 | ||||||
| 1" IMX183 (13.13x8.76) | 2.4x1.7 | ||||||
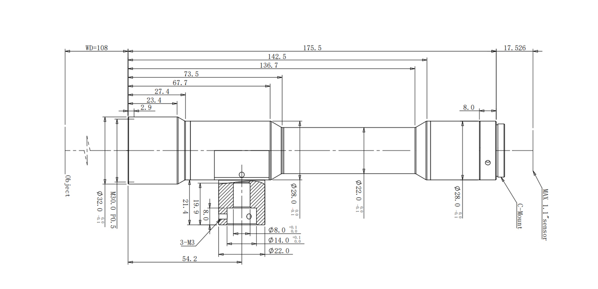
Dimensions
Tips:
Kindly note that the best resolution and maximum depth of field specified in the parameters are not achieved under the same aperture size conditions. As the aperture size becomes smaller (larger aperture values), the hyperfocal distance becomes shorter, and the DoF becomes larger.
Our lenses' best resolution generally corresponds to 50% of the maximum depth of field we specify. The values in the parameters represent separate theoretical optimal values, and the best depth of field value is based on software export reference.
During the purchase, if you have specific requirements for depth of field and best resolution, please let us know, and our laboratory can offer the optimal solution.
By the way, considering the lens aperture is fixed and can not be adjusted after shipping out, it is necessary to confirm the required aperture size before placing the order.

